欢迎光临 [ 无锡化工设备有限公司 ] 网站!
专业从事化工搪玻璃设备及配件的生产及销售服务
网站首页
企业概况
产品中心
新闻资讯
企业文化
联系我们
Previous
Next
1
2
当前位置:
首页
>
产品中心
>
搪玻璃贮罐
>
产品分类
搪玻璃冷凝器
搪玻璃管道
搪玻璃设备配件
搪玻璃搅拌器
搪玻璃阀门
搪玻璃液面计
列管式换热器
衬氟球阀
钢衬氟管配件
衬氟放料阀
不锈钢冷凝器
密封垫圈
搪玻璃反应釜
搪玻璃贮罐
卡子活套法兰
其它化工设备
热门新闻
· 搪玻璃冷凝器使用时的注意事项有哪些?
· 搪玻璃设备配件弯管的生产工艺精要
· 搪玻璃管道维护要点浅析
· 概述搪玻璃冷凝器的优点
· 搪玻璃设备配件密封与连接类重要性
· 简述搪玻璃管道的主要特点
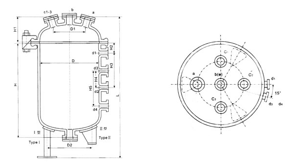
搪玻璃贮罐
上一篇:
闭式反应釜
下一篇:
79标活套法兰
相关文档
搪玻璃贮罐